發布時間:2021-07-10 17:53:45 作 者:袁封雪
客戶在購買螺旋給料機時,除了考慮螺旋給料機是否能達到自己所要輸送的物料的處理量、螺旋給料機的輸送效率、使用壽命等問題,還會考慮選購的螺旋給料機是否可以安裝在其生產空間,這時就需要知道螺旋給料機的尺寸及型號。下面,小編就為大家介紹一下螺旋給料機的尺寸及型號:

其型號主要有:GX150,GX200,GX250,GX300,GX400,GX500,GX600
GX型螺旋輸送機主要在化工、建材、冶金等行業中應用廣泛,適用于水平或傾斜的粉狀、顆粒狀等物料的輸送,傾斜角度小于20度。其輸送優點是可多點裝卸物料,密封性號碼,操作簡單,成本低。
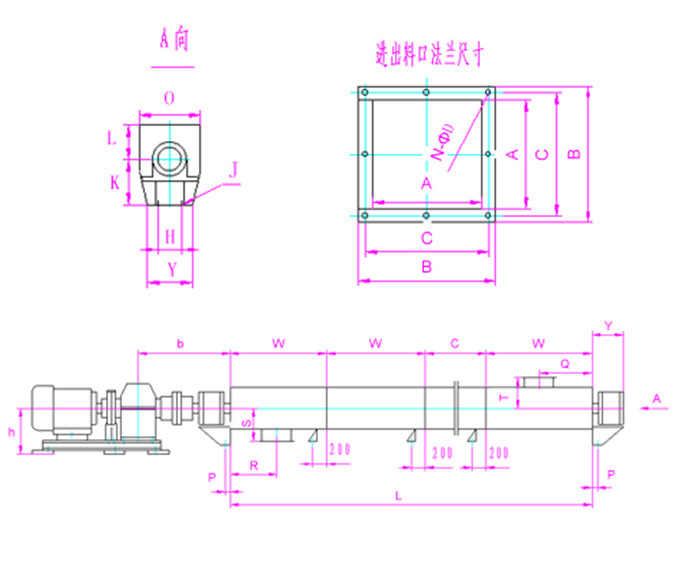
詳細技術參數圖如下:

GX螺旋輸送機外形尺寸設計圖如下:

尺寸表如下:


其型號主要有LS100,LS200,LS250,LS315,LS400,LS500,LS600等型號
LS型螺旋輸送機是GX的改良式螺旋輸送機,主要是用來輸送顆粒狀、粉狀物料,如:水泥、污水、化肥等,傾斜角度不超過15度。其輸送優點是輸送量大,承載力大,安裝維修方便,使用壽命長等。
詳細技術參數圖如下:

LS螺旋輸送機外形尺寸設計圖如下:

尺寸表如下:


其型號主要有WLS100,WLS160,WLS200,WLS250,WLS500,WLS800,WLS1000,WLS1250等多種型號
WLS型螺旋輸送機主要是用來輸送格柵除污所分離出來的污物,如:污泥、半流體等物質。其輸送優點是輸送量更大,是相同直徑的LS型的1.5倍,無軸承輸送更流暢,可加蓋封閉,污染少等。
詳細技術參數和尺寸圖如下:

WLS螺旋輸送機外形尺寸設計圖如下:


其型號主要有U200,U250,U300,U400,U500,U600等多種型號
U型螺旋輸送機是水平輸送,敞開加料,傾斜角度不超過25度。其有單軸驅動螺旋和雙軸驅動螺旋之分,其的優點是密封性好,粉塵不會飛揚,適合對環境有一定要求的物料的輸送。
詳細技術參數圖如下:

U型螺旋輸送機外形尺寸設計圖如下:

Copyright ? 2008-2019螺旋輸送機廠家-新鄉市大漢振動機械有限公司 All Rights Reserved 版權所有
網站備案號:豫ICP備09002479號-47

