
小型單管螺旋喂料機的規格一般有:100mm、120mm、150mm、200m、250mm、300mm、350mm、400mm等,長度從4米到70米,適合較小輸送量的用戶.
全國統一銷售熱線
免費獲取報價

小型單管螺旋喂料機的規格一般有:100mm、120mm、150mm、200m、250mm、300mm、350mm、400mm等,長度從4米到70米,適合較小輸送量的用戶,主要用于水平、傾斜或垂直輸送粉狀和顆粒狀物料,給料粒度≤5mm,具有輕便、防塵的特點,可根據用戶要求定制不同直徑、不同長度、不同傾角,并可配套安裝調速電機,以連續地調節轉速,達到定量給料的目的。

小型單管螺旋給料機非粘性的粉狀、粒狀及小顆粒物料從料倉及其它貯料設備中均勻地把料喂給受料設備,同時具有輸送、密封、均化、攪拌作用,是水泥生料均化,料倉密封喂料中常用設備,被廣泛使用在各種工業部門,如建材、電力、化工、冶金、煤炭、鋁鎂、機械、輕工、糧食及食品行業,適用于水平、垂直或傾斜輸送粉末、顆粒及小塊狀物料,如水泥、煤粉、粉煤灰、面粉、飼料、糧食等。


1、輸送量可達64立方/時,長度4-70米,可根據用戶要求定制。
2、沒有中間的吊軸承,因此在輸送物料過程中不易出現阻塞和卡料現象,下料均勻、穩定。
3、可中間多點裝料和卸料。
4、可以水平安裝,也能適應有角度的工況環境,甚至可以實現垂直輸送。
5、采用了密閉的結構,避免了粉塵對環境的污染,同時改善了勞動條件。

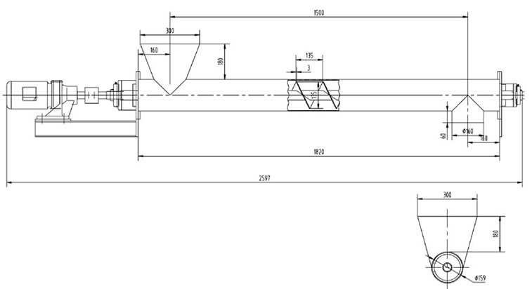
小型單管螺旋給料機主要由傳動裝置、進料口、螺旋軸、輸送管、出料口等部分組成。


物料經進料口輸送到單管螺旋給料機的殼體后,物料在內部螺旋槽內受到離心力與管壁摩擦力的作用,隨著螺旋葉片一起轉動,并在重力的作用下沿螺旋槽下滑,從而使物料不斷向前推進輸送,最終均勻地由出料口排出。


小型單管螺旋給料機調試、維護與保養
1、為了防止起動過載,必須保證要空載起動, 即管式螺旋給料機在輸送管內無輸送物料時起動,起動后方可輸送物料。
2、安裝完畢后用手轉動調整旋扭,待螺旋軸 運轉一圈后,看有無卡阻現象,一切正常后,開車試運轉。
3、試運轉時,看傳動件是否有松動、雜音、 振動等異常現象,確認無誤后投料生產。
4、試運轉時將滑差調速電機控制器的調速旋扭旋到轉速Z小處,待轉動正常時,將調速旋扭由小向大轉動,看螺旋軸轉速變化是否正常,如有異常,應查明原因,解決問題后再開車調試。
5、被輸送的物料不得混入堅硬的大塊物料,以免加料時卡住螺旋造成管式螺旋給料機的損壞。
6、軸承內應用3#鈣基油潤滑,三個月換油一次,加入量為軸承內空間體積的2/3為宜。
7、當連續運轉三個月后,應進行一次檢查保養,目的是檢查它的完整清潔情況,防止機件的過度磨損,延長機件的壽命。
Copyright ? 2008-2019螺旋輸送機廠家-新鄉市大漢振動機械有限公司 All Rights Reserved 版權所有
網站備案號:豫ICP備09002479號-47

